Мы используем cookies для улучшения работы сайта, анализа трафика и персонализации.
Продолжая пользоваться сайтом, вы даете согласие на использование файлов cookie.
Политика конфиденциальности
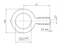
Наконечник 45.7373.8541
Основные характеристики:
- Сечение провода — 2,5-4,0 мм²;
Материал:
- Толщина — 0,7;
- Лента Л63, ГОСТ 2208-2007;
Вид покрытия:
- /40 - химическое пассивирование;
- /44 - олово-висмут.
Количество шт — Россыпью
- Характеристики
- Отзывы 0
| teh | |
| Артикул | 45.7373.8541 |
| dr | |
| Колво | Россыпью |
| dr2 | |
| Производитель | ООО "ТЕХКОМ" г. Киржач |
