Мы используем cookies для улучшения работы сайта, анализа трафика и персонализации.
Продолжая пользоваться сайтом, вы даете согласие на использование файлов cookie.
Политика конфиденциальности
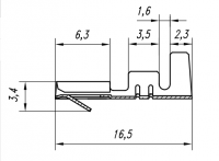
Контакт гнездовой (с монтажным усом) 45.7373.8865
Основные характеристики:
- Серия — 2,8;
- Сечение провода — 0,5-1,0 мм²;
Материал:
- Толщина — 0,28;
- Лента Л68, ГОСТ 2208-2007;
Вид покрытия:
- /40 - химическое пассивирование;
- /44 - олово-висмут.
Условное обозначение:
- ОСТ 37.003.032-88 — (203211-11);
- АвтоВАЗ — 2108-3724391-01.
Количество на катушке — 5000 шт.
- Характеристики
- Отзывы 0
| teh | |
| Артикул | 45.7373.8865 |
| dr | |
| Колво | 5000 |
| dr2 | |
| Производитель | ООО "ТЕХКОМ" г. Киржач |
